Высокоинерционный сервомотор Accurax G5 R88M-KH7K515C, 400 В
Оплата осуществляется по выставленному счёту
Телефон: 8 (977) 336 18 19 e-mail:
Korneev@ttk-rus.ru
Info@ttk-rus.ru WhatsApp: https://wa.me/79689781819
Гарантия производителя распространяется на всю продукцию, включая при условии соблюдение требований к хранению, складированию, транспортировке и эксплуатации. Продукция несоответствующего качества подлежит возврату или обмену в соответствии с действующим законодательством РФ.
При получении товара несоответствующего качества вы вправе потребовать замену, соразмерную скидку или возмещение стоимости приобретенной продукции. Выплата или замена осуществляется только после поступления некачественного товара к поставщику.
Возврата, замена или снижение стоимости возможнотолько при отсутствии повреждений, появившихся при неправильном хранении, транспортировке или применении не по назначению.
Мы осуществляем доставку товара в города:
- Санкт-Петербург
- Новосибирск
- Екатеринбург
- Казань
- Нижний Новгород
- Челябинск
- Красноярск
- Самара
- Уфа
- Ростов-на-Дону
- Омск
- Краснодар
- Воронеж
- Волгоград
- Пермь
и по всей России в кротчайшие сроки на самых выгодных условиях.
До терминала ТК Деловые Линии в г. Москва – БЕСПЛАТНО.
Приоритетно «TTK» осуществляет доставку заказанного товара с участием транспортных компаний ООО «Деловые Линии» и ООО «Фрейтлинк» (Ponyexpress). Рассчитайте стоимость с помощью калькулятора нашего партнера






| Параметры | KH7K515 | |||
| Номинальная мощность на валу, Вт | 7500 | |||
| Номинальный крутящий момент, Н·м | 47,8 | |||
| Кратковременный пиковый момент, Н·м | 119 | |||
| Номинальный ток, А | 22 | |||
| Кратковременный максимальный ток, А | 83 | |||
| Максимальная скорость, об/мин | 3000 | |||
| Постоянная момента, Н·м/А | 1,54 | |||
| Момент инерции ротора, кг·м2*10-4 | без тормоза | 273 | ||
| с тормозом | 279 | |||
| Номинальная скорость преобразования мощности, кВт/с | без тормоза | 86,7 | ||
| с тормозом | 85,1 | |||
| Допустимая радиальная нагрузка, N | 1176 | |||
| Допустимая осевая нагрузка, N | 490 | |||
| Масса, кг | без тормоза | 42,3 | ||
| с тормозом | 46,2 | |||
| Характеристики тормоза | ||||
| Номинальное напряжение, В | 24±10% | |||
| Момент инерции тормоза, кг·м2*10-4 | 4,7 | |||
| Потребляемая мощность, Вт | 34 | |||
| Потребляемый ток, А | 1,4±10% | |||
| Время установления удерживающего момента, мс | 150 | |||
| Время размыкания, мс | 50 | |||
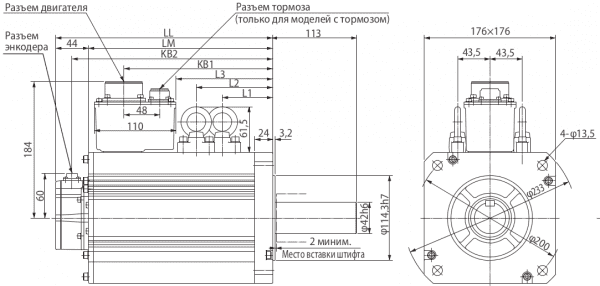
Конструктивные размеры
| Размеры, мм | KH7K515 | |
| LL | без тормоза | 357 |
| с тормозом | 382 | |
| LM | без тормоза | 313 |
| с тормозом | 338 | |
С высокоинерционным сервомотором Omron Accurax G5 R88M-KH7K515C вы получите отличное решение для выполнения самых сложных задач в автоматизации. Этот двигун демонстрирует выдающуюся производительность и высокую эффективность, что позволяет удовлетворить требования различных производственных процессов. Закажите Omron R88M-KH7K515C в нашем каталоге с доставкой по Москве уже сегодня.
- Режим постоянной нагрузки — двигатель работает на стабильной мощности в течение длительного времени.
- Режим переменной нагрузки — двигатель может работать под разной нагрузкой в зависимости от требований.
- Периодический режим — включение и выключение для выполнения определенных задач.
- Режим кратковременной работы — двигатель работает в течение коротких интервалов времени с высокой нагрузкой.
- Режим пуска.
- Тормозной режим.
- номинальная мощность — выбирайте двигатель, учитывая мощность, необходимую для системы;
- номинальные параметры — такие как максимальный момент, КПД, частота вращения и максимальное напряжение;
- условия эксплуатации — температура, влажность и другие внешние факторы могут повлиять на выбор;
- тип нагрузки — постоянная, переменная и пиковая нагрузка;
- технические требования — учитывайте требования к точности и скорости;
- размеры и вес — убедитесь, что двигатель подходит по габаритам и весу для вашего оборудования.
- Асинхронные — работают на основе принципа магнитного поля, создаваемого в статоре, которое вращает ротор.
- Синхронные — ротор вращается с той же частотой, что и магнитное поле статора, что обеспечивает более точное управление вращением.
- Постоянного тока — используются в системах, требующих регулирования скорости и крутящего момента.
- Переменного тока — популярны в промышленных и бытовых системах.
- Вибрационные — используются для создания вибрации.
- Редукторные электродвигатели — имеют встроенный редуктор для увеличения крутящего момента и уменьшения скорости вращения.
- Серводвигатели — предназначены для точного управления положением и скоростью.
- Шаговые — обеспечивают перемещение на заданные углы и используются в прецизионных механизмах.
- Микродвигатели — маленькие двигатели, применяемые в компактных устройствах.
- Электромагнитные — используют электромагнитные поля для создания движения.