Сервомотор Accurax G5 R88M-K75030, 400 В
Оплата осуществляется по выставленному счёту
Телефон: 8 (977) 336 18 19 e-mail:
Korneev@ttk-rus.ru
Info@ttk-rus.ru WhatsApp: https://wa.me/79689781819
Гарантия производителя распространяется на всю продукцию, включая при условии соблюдение требований к хранению, складированию, транспортировке и эксплуатации. Продукция несоответствующего качества подлежит возврату или обмену в соответствии с действующим законодательством РФ.
При получении товара несоответствующего качества вы вправе потребовать замену, соразмерную скидку или возмещение стоимости приобретенной продукции. Выплата или замена осуществляется только после поступления некачественного товара к поставщику.
Возврата, замена или снижение стоимости возможнотолько при отсутствии повреждений, появившихся при неправильном хранении, транспортировке или применении не по назначению.
Мы осуществляем доставку товара в города:
- Санкт-Петербург
- Новосибирск
- Екатеринбург
- Казань
- Нижний Новгород
- Челябинск
- Красноярск
- Самара
- Уфа
- Ростов-на-Дону
- Омск
- Краснодар
- Воронеж
- Волгоград
- Пермь
и по всей России в кротчайшие сроки на самых выгодных условиях.
До терминала ТК Деловые Линии в г. Москва – БЕСПЛАТНО.
Приоритетно «TTK» осуществляет доставку заказанного товара с участием транспортных компаний ООО «Деловые Линии» и ООО «Фрейтлинк» (Ponyexpress). Рассчитайте стоимость с помощью калькулятора нашего партнера






| Параметры | K75030 | K1K030 | K1K530 | K2K030 | K3K030 | K4K030 | K5K030 | ||
| Номинальная мощность на валу, Вт | 750 | 1000 | 1500 | 2000 | 3000 | 4000 | 5000 | ||
| Номинальный крутящий момент, Н·м | 2,39 | 3,18 | 4,77 | 6,37 | 9,55 | 12,7 | 15,9 | ||
| Кратковременный пиковый момент, Н·м | 7,16 | 9,55 | 14,3 | 19,1 | 28,6 | 38,2 | 47,7 | ||
| Номинальный ток, А | 2,4 | 3,3 | 4,2 | 5,7 | 9,2 | 9,9 | 12 | ||
| Кратковременный максимальный ток, А | 10 | 14 | 18 | 24 | 39 | 42 | 51 | ||
| Максимальная скорость, об/мин | 5000 | 4500 | |||||||
| Постоянная момента, Н·м/А | 0,78 | 0,75 | 0,89 | 0,87 | 0,81 | 0,98 | |||
| Момент инерции ротора, кг·м2*10-4 | без торм. | 1,61 | 2,03 | 2,84 | 3,68 | 6,5 | 12,9 | 17,4 | |
| с торм. | 1,93 | 2,35 | 3,17 | 4,01 | 7,85 | 14,2 | 18,6 | ||
| Номинальная скорость преобразования мощности, кВт/с | без торм. | 35,5 | 49,8 | 80,1 | 110 | 140 | 126 | 146 | |
| с торм. | 29,6 | 43 | 71,8 | 101 | 116 | 114 | 136 | ||
| Допустимая радиальная нагрузка, N | 490 | 784 | |||||||
| Допустимая осевая нагрузка, N | 196 | 343 | |||||||
| Масса, кг | без торм. | 3,1 | 3,5 | 4,4 | 5,3 | 8,3 | 11 | 14 | |
| с торм. | 4,1 | 4,5 | 5,4 | 6,3 | 9,4 | 12,6 | 16 | ||
| Характеристики тормоза | |||||||||
| Номинальное напряжение, В | 24±10% | ||||||||
| Момент инерции тормоза, кг·м2*10-4 | 0,33 | 1,35 | |||||||
| Потребляемая мощность, Вт | 17 | 19 | 22 | ||||||
| Потребляемый ток, А | 0,7±10% | 0,81±10% | 0,90±10% | ||||||
| Время установления удерживающего момента, мс | 50 | 110 | |||||||
| Время размыкания, мс | 15 | 50 | |||||||
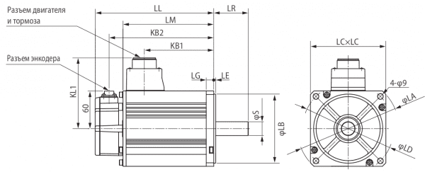
Конструктивные размеры
| Размеры, мм | K75030 | K1K030 | K1K530 | K2K030 | K3K030 | K4K030 | K5K030 | |
| LC | 100 | 120 | 130 | |||||
| LL | без тормоза | 131,5 | 141 | 159,5 | 178,5 | 190 | 208 | 243 |
| с тормозом | 158,5 | 168 | 186,5 | 205,5 | 215 | 233 | 268 | |
| LM | без тормоза | 87,5 | 97 | 115,5 | 134,5 | 146 | 164 | 199 |
| с тормозом | 114,5 | 124 | 142,5 | 161,5 | 171 | 189 | 224 | |
Серводвигатель Omron Accurax G5 R88M-K75030 предназначен для высокопроизводительных автоматизированных систем. Этот мощный электродвигатель обеспечивает высокую точность и надежную работу, делая его идеальным решением для современных производственных требований. Уникальные технологии двигателя позволяют эффективно управлять движением и контролировать процесс, обеспечивая стабильную работу даже при высокой нагрузке. Вы можете купить Omron R88M-K75030 в Москве с доставкой, ознакомившись с полным каталогом продукции.
- Режим постоянной нагрузки — двигатель работает на стабильной мощности в течение длительного времени.
- Режим переменной нагрузки — двигатель может работать под разной нагрузкой в зависимости от требований.
- Периодический режим — включение и выключение для выполнения определенных задач.
- Режим кратковременной работы — двигатель работает в течение коротких интервалов времени с высокой нагрузкой.
- Режим пуска.
- Тормозной режим.
- номинальная мощность — выбирайте двигатель, учитывая мощность, необходимую для системы;
- номинальные параметры — такие как максимальный момент, КПД, частота вращения и максимальное напряжение;
- условия эксплуатации — температура, влажность и другие внешние факторы могут повлиять на выбор;
- тип нагрузки — постоянная, переменная и пиковая нагрузка;
- технические требования — учитывайте требования к точности и скорости;
- размеры и вес — убедитесь, что двигатель подходит по габаритам и весу для вашего оборудования.
- Асинхронные — работают на основе принципа магнитного поля, создаваемого в статоре, которое вращает ротор.
- Синхронные — ротор вращается с той же частотой, что и магнитное поле статора, что обеспечивает более точное управление вращением.
- Постоянного тока — используются в системах, требующих регулирования скорости и крутящего момента.
- Переменного тока — популярны в промышленных и бытовых системах.
- Вибрационные — используются для создания вибрации.
- Редукторные электродвигатели — имеют встроенный редуктор для увеличения крутящего момента и уменьшения скорости вращения.
- Серводвигатели — предназначены для точного управления положением и скоростью.
- Шаговые — обеспечивают перемещение на заданные углы и используются в прецизионных механизмах.
- Микродвигатели — маленькие двигатели, применяемые в компактных устройствах.
- Электромагнитные — используют электромагнитные поля для создания движения.